22220 CA CC E MB كروي أسطواني
      
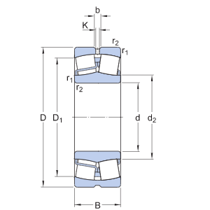
        محمل الأسطوانة الكروية هو محمل ذو عنصر متدحرج يسمح بالدوران مع احتكاك منخفض ، ويسمح بمحاذاة زاويّة غير صحيحة. عادةً ما تدعم هذه المحامل عمودًا دوارًا في تجويف الحلقة الداخلية والذي قد يكون غير محاذي فيما يتعلق بالحلقة الخارجية. المحاذاة الخاطئة ممكنة بسبب الشكل الداخلي الكروي للحلقة الخارجية والبكرات الكروية. على الرغم مما قد يوحي به اسمها ، فإن المحامل الكروية ليست كروية الشكل حقًا. تكون العناصر المتدحرجة للمحامل الدوارة الكروية أسطوانية الشكل بشكل أساسي ، ولكن لها شكل جانبي (يشبه البرميل) يجعلها تبدو مثل الأسطوانات التي تم تضخيمها قليلاً (مثل البرميل).
التطبيق: تُستخدم المحامل الكروية في عدد لا يحصى من التطبيقات الصناعية ، حيث توجد أحمال ثقيلة وسرعات معتدلة وربما اختلال في المحاذاة. بعض مجالات التطبيق الشائعة هي:
علب التروس توربينات الرياح آلات الصب المستمر مضخات مناولة المواد مراوح ومنفاخ ميكانيكي
معدات التعدين والبناء معدات معالجة اللب والورق الدفع البحري والحفر البحري
تنقسم محامل الأسطوانة الكروية إلى: حلقة داخلية أسطوانية التجويف وحلقة داخلية مدببة. نسبة حلقة التجويف الداخلية المخروطية هي 1:12 و 1:30.
أقفاص قابلة للتطبيق بشكل أساسي: لدينا قفص نحاسي ، قفص فولاذي ، قفص من النايلون. القفص النحاسي له ثلاثة أنواع: CA ، MB و MA. قفص CA هو تماما ، ويستخدم على نطاق واسع. يحتوي MB على جزأين منفصلين. والحلقة الداخلية لها حلقة وسطية. هذا هو MA ، خاص يستخدم على شاشة الاهتزاز.
22220 CA CC E MB محمل أسطواني كروي
يتم استخدامه على نطاق واسع في آلات صناعة الورق ، وأجهزة التباطؤ ، ومحاور عربة السكك الحديدية ، وعلب تحمل علبة التروس لمطحنة الدرفلة ، ولفائف مطحنة الدرفلة ، والكسارات ، وشاشات الاهتزاز ، وآلات الطباعة ، وآلات النجارة ، ومخفضات صناعية مختلفة ، ومحامل ذاتية المحاذاة الرأسية مع مقاعد.
صورة 22220 CA CC E MB كروي أسطواني
معلمة 22220 CA CC E MB أسطواني كروي
| قطر التجويف (د) | 100 ملم | 
| القطر الخارجي (د) | 180 مم | 
| العرض (ب) | 46 ملم | 
| تصنيف الحمل الديناميكي الأساسي Cr | 433 كيلو نيوتن | 
| تصنيف الحمل الأساسي الثابت Cor | 490 كيلو نيوتن | 
| ثقل | 4.90 كجم | 
تعبئة 22220 CA CC E MB محمل أسطواني كروي
1. التعبئة والتغليف السائبة = التغليف البسيط والتكلفة الاقتصادية ؛
2. علامة تجارية محايدة = لا توجد علامة تجارية / علامتك التجارية ، مربع أبيض واحد ؛
3. HGF العلامة التجارية ، العلامة التجارية TCV ، العلامة التجارية UGK ، مربع التعبئة والتغليف العلامة التجارية الخاصة بنا ؛
4. OEM ، قبول تخصيص مربع العلامة التجارية الخاصة بك ؛
حول الإنتاج 
تم بناء مصنع HGF في عام 2008 ، ويغطي 30000 متر مربع ، 2000 متر مربع من ورش العمل ؛
حصلت منتجاتنا على شهادات ISO 9001 ، CE ، SGS وما إلى ذلك ؛ صدرت أكثر من 120 دولة و 50 من وكلاء العلامات التجارية في العالم ؛
منفعتنا:
اختر مادة خام فولاذية ممتازة ؛
3 خطوط إنتاج و 60 مجموعة آلات ، تنتج وتجمع أنواعًا مختلفة من المحامل ؛
معدات اختبار عالية الدقة. 20 فريق فحص الجودة المهنية ؛
ورشة تعبئة 1000 متر مربع ؛ 4 فرق تعبئة ؛
تخزين ذكي وأنواع وأحجام مختلفة من المحامل يتم تخزينها بشكل منفصل.
تجربة تصدير غنية ، تقدم اقتراح شحن أفضل ؛
اتصل بنا:
مايك جو:
هاتف: 0086 531 82890388
البريد الإلكتروني: hgzc@hgzc.com ؛
واتساب وويكات: 0086 18805311522
سكايب: مباشر: jnbearing_1
شكرا لاختيارك لنا !!!
أخبار ذات صلة
تم الإرسال بنجاح
سنتواصل معك بأقرب وقت ممكن

 English
 English
 Español
 Español
 Português
 Português
 Türk
 Türk

 
                      
                     
                      
                     
                      
                     
                      
                    









 
                   
                   
                  