مدبب أسطواني
      
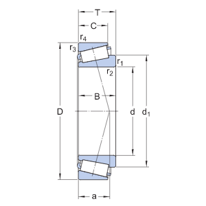
        تتكون محامل البكرات المخروطية من حلقة خارجية وداخلية مع مجاري مائية مدببة وكذلك بكرات مدببة في قفص نافذة.
يمكن أن تدعم محامل البكرات المخروطية الأحمال الشعاعية والمحورية العالية بنفس القدر. بالمقارنة مع الكرات ذات التلامس الزاوي ، فإن قدرة التحمل كبيرة والسرعة المحدودة منخفضة. يمكن أن تتحمل محامل البكرات المخروطية الحمل المحوري في اتجاه واحد ويمكن أن تحد من الإزاحة المحورية للعمود أو السكن في اتجاه واحد.
وفقًا لعدد صفوف العناصر المتدحرجة في المحمل ، يتم تقسيمها إلى محامل أسطوانية مدببة بصف واحد وصف مزدوج وأربعة صفوف. يحتاج المستخدم إلى تعديل خلوص محامل البكرات المخروطية أحادية الصف أثناء التثبيت ؛ تم ضبط الخلوص لمحامل البكرات المخروطية ذات الصفوف المزدوجة والأربعة صفوف في المصنع وفقًا لمتطلبات المستخدم ، ولا يلزم إجراء أي تعديل من جانب المستخدم. تستخدم محامل الأسطوانة المخروطية على نطاق واسع في صناعات مثل السيارات ومصانع الدرفلة والتعدين والمعادن والآلات البلاستيكية.
مواصفات أسطواني مدبب
| بند | 32305 مدبب أسطواني | 
| القطر الداخلي (د) | 25 ملم | 
| القطر الخارجي (د) | 62 ملم | 
| السماكة (T) | 25.25 mm | 
| الأوزان | 0.36 كجم | 
التفاصيل   من   أسطواني مدبب 
| | | | | | | | | | | | | | | | | | | | | | | | | | | | | | | | | | | | | | | | | | | | | | | | | | | | | | | | | | | | | | | | | | | | | | | | | | | | | | | | | | | | | | | | | | | | | | | | | | | | | | | | | | | | | | | | | | | | | | | | | | | | | | | | | | | | | | | | | | | | | | | | | | | | | | | | | | | | | | | | | | | | | | | | | | | | | | | | | | | | | | | | | | | | | | | | | | | | | | | | | | | | | | | | | | | | | | | | | | | | | | | | | | | | | | | | | | | | | | | | | | | | | | | | | | | | | | | | | | | | | | | | | | | | | | | | | | | | | | | | | | | | | | | | | | | | | | | | |    ||كومةاصمة|كومة ||               
أخبار ذات صلة
تم الإرسال بنجاح
سنتواصل معك بأقرب وقت ممكن

 English
 English
 Español
 Español
 Português
 Português
 Türk
 Türk

 
                      
                    

 
                   
                   
                  