كرة ذات أخدود عميق معزول 6324 م
محامل كريات الأخدود العميق هي أكثر أنواع المحامل المتداول استخدامًا. لها هيكل بسيط وسهل الاستخدام ، وتتكون من حلقة خارجية وحلقة داخلية ومجموعة من الكرات الفولاذية ومجموعة من الأقفاص.
يتم استخدامه بشكل أساسي لتحمل الأحمال الشعاعية ، ويمكن استخدامه على الأجزاء التي تتحمل أحمالًا شعاعية أو أحمالًا مجمعة تعمل في نفس الوقت في اتجاهات شعاعية ومحورية ، ويمكن أيضًا استخدامها على الأجزاء التي تتحمل أحمالًا محورية. هذا النوع من المحامل له معامل احتكاك صغير وسرعة حد عالية. ومع ذلك ، فهي ليست مقاومة للصدمات وغير مناسبة للأحمال الثقيلة.
هناك نوعان من محامل كريات الأخدود العميق: صف واحد وصف مزدوج. ينقسم هيكل كرة الأخدود العميق أيضًا إلى نوعين: مغلق ومفتوح. النوع المفتوح يعني أن المحمل ليس له هيكل مختوم. ختم.
رمز النوع لمحمل الكرة ذو الأخدود العميق للصف الفردي هو 6 ، والاسم الرمزي لمحمل الكرة ذو الأخدود العميق للصف المزدوج هو 4.
سلسلة كروي: 16000/6000/6200/6300/6400/6800/6900
يمكن استخدام محامل كريات الأخدود العميق في علب التروس ، والأدوات ، والمحركات ، والأجهزة المنزلية ، ومحركات الاحتراق الداخلي ، ومركبات النقل ، والآلات الزراعية ، وآلات البناء ، والآلات الهندسية ، والزلاجات الدوارة ، واليويوس ، إلخ.
كرة ذات أخدود عميق معزول 6324 م
يمكن استخدام محامل كريات الأخدود العميق في علب التروس ، والأدوات ، والمحركات ، والأجهزة المنزلية ، ومحركات الاحتراق الداخلي ، ومركبات النقل ، والآلات الزراعية ، وآلات البناء ، والآلات الهندسية ، والزلاجات الدوارة ، واليويوس ، إلخ.
صورة Insulated Deep Groove Ball 6324 M
معلمة الكرة ذات الأخدود العميق المعزول 6324 م
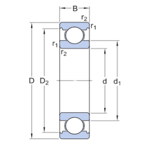
قطر التجويف (د) |
120 ملم |
القطر الخارجي (د) |
260 ملم |
العرض (ب) |
55 ملم |
تصنيف الحمل الديناميكي الأساسي Cr |
22.50 كيلو نيوتن |
تصنيف الحمل الأساسي الثابت Cor |
19.50 كيلو نيوتن |
وزن |
≈ 14.40 كجم |
تعبئة كرة ذات أخدود عميق معزول 6324 م
1. التعبئة والتغليف السائبة = التغليف البسيط والتكلفة الاقتصادية ؛
2. علامة تجارية محايدة = لا توجد علامة تجارية / علامتك التجارية ، مربع أبيض واحد ؛
3. HGF العلامة التجارية ، العلامة التجارية TCV ، العلامة التجارية UGK ، مربع التعبئة والتغليف العلامة التجارية الخاصة بنا ؛
4. OEM ، قبول تخصيص مربع العلامة التجارية الخاصة بك ؛
حول الإنتاج
تم بناء مصنع HGF في عام 2008 ، ويغطي 30000 متر مربع ، 2000 متر مربع من ورش العمل ؛
حصلت منتجاتنا على شهادات ISO 9001 ، CE ، SGS وما إلى ذلك ؛ صدرت أكثر من 120 دولة و 50 من وكلاء العلامات التجارية في العالم ؛
منفعتنا:
اختر مادة خام فولاذية ممتازة ؛
3 خطوط إنتاج و 60 مجموعة آلات ، تنتج وتجمع أنواعًا مختلفة من المحامل ؛
معدات اختبار عالية الدقة. 20 فريق فحص الجودة المهنية ؛
ورشة تعبئة 1000 متر مربع ؛ 4 فرق تعبئة ؛
يتم تخزين التخزين الذكي وأنواع وأحجام مختلفة من المحامل بشكل منفصل.
تجربة تصدير غنية ، تقدم اقتراح شحن أفضل ؛
اتصل بنا:
مايك جو:
هاتف: 0086 531 82890388
البريد الإلكتروني: hgzc@hgzc.com ؛
واتساب وويكات: 0086 18805311522
سكايب: مباشر: jnbearing_1
شكرا لاختيارك لنا !!!
أخبار ذات صلة
تم الإرسال بنجاح
سنتواصل معك بأقرب وقت ممكن









